Share on Google+Share on FacebookShare on LinkedInShare on TwitterShare on DiggShare on Stumble Upon
Custom Search
 
  

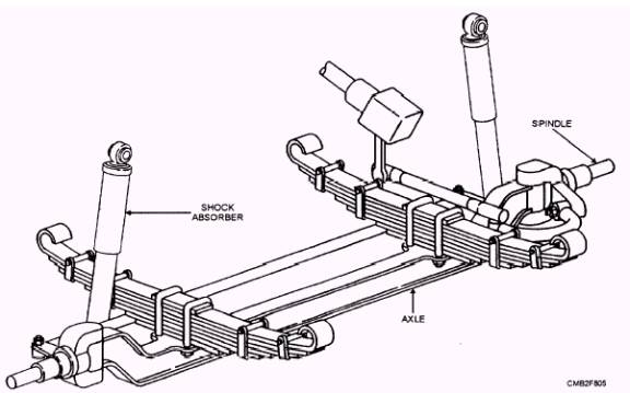
TRUCK FRAME (LADDER)
The truck frame (fig. 8-4) allows for different types of truck beds or enclosures to be attached to the frame. For larger trucks, the frames are simple, rugged, and of channel iron construction. The side rails are parallel to each other at standardized widths to permit the mounting of stock transmissions, transfer cases, rear axles, and other similar components. Trucks that are to be used as prime movers have an additional reinforcement of the side rails and rear cross members to compensate for the added towing stresses.

FRAME MAINTENANCE
Frames require little, if any, maintenance. However, if the frame is bent enough to cause misalignment of the vehicle or cause faulty steering, the vehicle should be removed from service. Drilling the frame and fishplating can temporarily repair small cracks in the frame side rails. Care should be exercised when performing this task, as the frame can be weakened. The frame of the vehicle should not be welded by gas or arc welding unless specified by the manufacturer. The heat removes temper from the metal, and, if cooled too quickly, causes the metal to crystallize. Minor bends can be removed by the use of hydraulic jacks, bars, and clamps.

SUSPENSION SYSTEMS

Figure 8-4.- Truck frame (Ladder).

Provide a smooth, comfortable ride by allowing the wheels and tires to move up and down with minimum movement of the vehicle.

Work with the steering system to help keep the wheels in correct alignment.

Keep the tires in firm contact with the road, even after striking bumps or holes in the road.

Allow rapid cornering without extreme body roll (vehicle leans to one side).

Allow the front wheels to turn from side to side for steering.

Prevent excessive body squat (body tilts down in rear) when accelerating or with heavy loads.

Prevent excessive body dive (body tilts down in the front) when braking.

The suspension systems are grouped into two categories, which are as follows:

Learning Objective: Identify automotive suspension components, their functions, and maintenance requirements.

The suspension system works with the tires. frame or unitized body, wheels, wheel bearings, brake system. and steering system. All of the components of these systems work together to provide a safe and comfortable means of transportation. The suspension system functions are as follows:

NONINDEPENDENT SUSPENSION (Solid Axle) (fig. 8-5)- The nonindependent suspension has both left and right wheels attached to the same solid axle. When one tire hits a bump in the road, its upward movement causes a slight tilt in the other wheel. With a solid axle setup, the steering knuckle and wheel spindle assemblies are connected to the axle beam by bronze-bushed kingpins, or spindle bolts, which provide pivot points for each wheel.

Support the weight of the frame, body, engine, transmission, drive train, passengers, and cargo.

INDEPENDENT SUSPENSION (fig. 8-6)- The independent suspension allows one wheel to move up and down with a minimum effect on the other wheels. Since each wheel is attached to its own suspension unit, movement of one wheel does NOT cause direct movement of the wheel on the opposite side of the

Figure 8-5.- Nonindependent suspension system.


Figure 8-6.- Independent suspension.

vehicle. With the independent front suspension the use of ball joints provides pivot points for each wheel. In operation, the swiveling action of the ball joints allows the wheel and spindle assemblies to be turned left and right and to move up and down with changes in road surfaces. This type of suspension is most widely used on modern vehicles.



Managed Security Service Provider
 


Privacy Statement - Copyright Information. - Contact Us

Integrated Publishing, Inc. - A (SDVOSB) Service Disabled Veteran Owned Small Business