Share on Google+Share on FacebookShare on LinkedInShare on TwitterShare on DiggShare on Stumble Upon
Custom Search
 
  

CHAPTER 6 - M61A1 GUN INSTALLATION

Gun systems installed in high-speed aircraft must meet demanding performance requirements and provide firepower. The General Electric M61A1 20-mm automatic gun system, installed in the F-14 and F/A-18 aircraft, meets these requirements.

The M61A1 (fig. 6-1) is a six-barrel, rotary-action, automatic gun based on the machine-gun design of Richard J. Gatling. The gun consists of a revolving cluster of barrels. Each barrel is fired once per revolution. The M61A1 automatic gun is hydraulically driven, electrically controlled, and can fire M50-series ammunition at 4,000 to 7,200 rounds per minute. As installed in Navy aircraft, the gun has a pilot selectable firing rate of either 4,000 (GUN LOW) or 6,000 (GUN HIGH) rounds per minute. It is designed for either air-to-ground or air-to-air gunnery missions.

Ammunition is supplied to the M61A1 gun by an ammunition handling and storage system that functions within a specific aircraft. The system uses an endless conveyor that transports 20-mm ammunition from the ammunition drum to the gun. The conveyor then returns the expended cases and unfired rounds to the ammunition drum.

Although the physical location of components varies between different aircraft gun installations, the function and description of the components are essentially the same.

M61A1 AUTOMATIC GUN

LEARNING OBJECTIVE: Identify the components of the M61A1 automatic gun and recognize the operating principles.

The primary parts of the gun are the barrels, housing assembly, and rotor assembly. Look at table 6-1 for M61A1 gun characteristics. The following paragraphs

Figure 6-1.-M61A1 automatic gun.

Table 6-1.-M61A1 Characteristics

contain a description of each gun component and an explanation of how each component works. Figure 6-2 shows an exploded view of the gun components, and figure 6-3 shows the gun component locations. As each component is discussed, you should look at these figures.

GUN COMPONENTS

The primary parts of the gun are described in the following paragraphs.

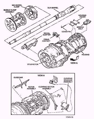
Muzzle clamp assembly. The muzzle clamp assembly is positioned at the outer end of the barrels. It restrains individual barrel movement during firing. It is positioned against the flange on the barrels and secured by the pressure of the self-locking nut assembly against the opposite side of the shoulders.

Mid-barrel clamp assembly. The mid-barrel clamp assembly is positioned near the center of the barrels. The clamp tabs are engaged in the slots of the stop shoulders on the barrels. Secure the clamp in this position by rotating the locating disk to the locked position. The direction of rotation of the gun and barrel hue prevents the clamp from unlocking. Insert a cotter pin through the locking disk and clamp plate as an additional safety measure.

Figure 6-2.-Gun components (exploded view). 6-2

Figure 6-3.-Gun component locations.

Barrels. The M61A1 automatic gun has six rifled barrels. They are supported by the stub rotor attached to the rotor body. The three rows of interrupted locking lugs on the barrel engage similar interrupted locking lugs in the rotor to secure the barrel. There are three knurled bands near the center of the barrels. These bands give you a gripping surface for easy installation and removal of the barrels from the rotor.

Recoil adapters. The recoil adapters are mounted on the bearing retainer and provide the front mounting for the gun. There are alternate locations for the recoil adapters with respect to the gun's axis. These locations are possible because the bearing retainers can be mounted to the housing in increments of 60 degrees. The adapters reduce the amount of recoil and counter-recoil forces transmitted to the supporting structure when the weapon is fired.

Firing contact assembly. The firing contact assembly is mounted to the housing so that the connector is outside the housing, and the spring-loaded cam is inside the assembly. The contact assembly provides the necessary path for the current to enter the housing and reach the breech-bolt assembly. This path goes through the connector to the conductor, to the insulated insert in the contact cam assembly, and then to the breech-bolt assembly.

Clearing solenoid assembly. The clearing solenoid assembly is mounted near the back of the gun housing. It is linked to and controls the movement of the clearing sector assembly.

Clearing sector assembly. The clearing sector assembly is linked to and controlled by the clearing solenoid assembly. When the solenoid is activated, the sector arm diverts the bolt assemblies into the clearing cam path.

Guide bar. The guide bar is located on the gun housing. It guides the rounds into and out of the extractor lip that is located on each of the six breech-bolt assemblies.

Breech-bolt assembly. The breech-bolt assembly picks up a round as it enters the gun, transports it to the firing chamber, locks it into the firing position, transmits the firing voltage to the primer of the round, and returns the empty case to the guide bar, where it is cammed out of the gun. An extractor lip on the front of each bolt assembly engages the rim of a round throughout these actions.

There are six breech-bolt assemblies in the gun. Guide slots or grooves on the side of the bolt body permit it to slide on the rotor tracks. The bolt roller shaft determines the position of the bolt as it follows the main cam path or the clearing cam path in the housing.

Figure 6-5.-Rear housing assembly and related parts (external view).

Rotor assembly. The rotor assembly (fig. 6-4) is a major unit of the M61A1 gun. The front section or stub rotor supports the six barrels. The main body of the rotor assembly contains the rotor tracks, rotor drive gear, and the locking lugs to lock the barrels in place.

The rotor tracks support the breech-bolt assemblies and provide a guide for the forward and backward movement of the bolt. There are six sets of rotor tracks attached to the ribs along the rotor body. Each set contains a front, center, and rear removable track. The removable track lets you install or remove a bolt assembly for servicing or replacement. The necessary front support for the rotor assembly consists of a double row of ball bearings. The rear is supported by needle bearings located inside the rotor body. The end plate provides the inner race for the needle bearings, and it also provides for the gun's rear support.

Rear housing assembly and associated parts.

The rear housing assembly (figs. 6-5 and 6-6) is a major unit of the gun. It consists of an upper section and a lower section assembled as one unit. The rear housing assembly provides the main cam path that controls the movement of the breech-bolt assemblies. The elliptical (oval) shape of the main cam path causes the forward and backward movement of the bolt assemblies. The clearing-cam path is circular and located at the rear of the housing. It provides a path for the bolt assemblies during the gun's clearing cycle. The housing cover,

Figure 6-6.-Rear housing assembly and related parts (internal view).

when in the closed position, forms a part of the clearing cam path. You may remove the housing cover to install or remove the bolt assembly.

The locking and unlocking cams are part of the housing assembly. The gun indexing pin (timing pin) is located on the housing (fig. 6-3). It is used to time the gun when it is mated with the ammunition handling system, or when you perform loading/unloading procedures.

Lubricator assembly. A lubricator assembly (fig. 6-7) is attached externally to the gun housing assembly. It is used to lubricate the bolt assemblies during gun operation. During gun acceleration/deceleration and when the gun is firing, an inertia-actuated pump located within the lubricator assembly pumps the lubricant (DOD-L-85336) through a metal tube to the gun housing assembly. You can refill the lubricator assembly when performing normal maintenance procedures.



Managed Security Service Provider
 


Privacy Statement - Copyright Information. - Contact Us

Integrated Publishing, Inc. - A (SDVOSB) Service Disabled Veteran Owned Small Business