Share on Google+Share on FacebookShare on LinkedInShare on TwitterShare on DiggShare on Stumble Upon
Custom Search
 
  

LAU-116/A GUIDED MISSILE LAUNCHER

The LAU-116/A guided missile launcher (fig. 3-23) is a reusable launcher of the F/A-18 aircraft suspension

Figure 3-23.-LAU-116/A guided missile launcher. 3-27

and launching system for the AIM-7 Sparrow missile. The launchers are mounted internally in the fuselage structure. They are self-contained, gas-operated mechanisms, capable of suspending and ejecting the AIM-7 Sparrow missile. Ejection force is supplied by two CCU-45 impulse cartridges ignited by an electrical impulse applied by the missile firing switch. The rapidly expanding gases actuate the ejector pistons and release the missile from the launcher. Power is applied to the missile guidance control system through the umbilical plug. An actuator-operated safety device prevents inadvertent firing of launcher cartridges.

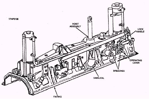
LAU-117/A GUIDED MISSILE LAUNCHER

The LAU-117/A guided missile launcher (fig. 3-24) is a reusable launcher that completes the F/A-18 aircraft suspension and launching system for the Maverick, AGM-65, air-to-ground missile. The mechanical structure of the launcher is built around a box-section channel or rail, which supports the missile. The missile hooks contact the rail surfaces or tracks, which are hard, anodized metal treated with a dry lubricant. Two lug fittings and lugs provide mechanical interface with the bomb rack. The two lug fittings provide smooth surfaces for the bomb rack sway braces. The missile restraint device is recessed into the rail channel between the lug fittings. A stop on one side of the rail track engages the missile aft hook to prevent damage to the umbilical connector during loading. The rear of the rail channel provides mounting for the launcher electronic assembly and the umbilical engaging assembly. The launcher electronic assembly houses all electronic circuitry. Fairings at the front of the rail, the front of the front lug fitting, and the rear of the launcher electronic assembly provide aerodynamic surfaces. Special brackets and bushings are provided for the Navy's single hoist ordnance loading system. The launcher can be suspended from the BRU-32 bomb rack on the inboard and outboard pylons. An electrically operated safety device prevents inadvertent loss of the missile.

LAU-118/A GUIDED MISSILE LAUNCHER

The LAU-118/A guided missile launcher (fig. 3-25) is a reusable launcher that completes the F/A-18 and EA6B aircraft suspension and launching system for the HARM, AGM-88, air-to-ground guided missile. The launcher consists of the launcher housing, forward and aft fairing assemblies, forward and aft launcher tracks, suspension lugs, insert plugs, and internal electrical components. The launcher is a structurally modified Aero 5B-1. The LAU-118/A is suspended from the BRU-32 bomb rack (Aero 7 on A-6 aircraft) on the inboard and outboard pylons. An electrically operated retention mechanism prevents inadvertent loss of the missile.

LAU-92/A GUIDED MISSILE LAUNCHER

The LAU-92/A guided missile launcher (fig. 3-26) carries and launches the AIM-7 (series) Sparrow guided missile on the F- 14 aircraft. The launcher is installed in semisubmerged fuselage stations 3, 4, 5, and 6. It is

Figure 3-24.-LAU-117/A guided missile launcher.

Figure 3-25.-LAU-118 guided missile launcher.

retained on the weapons rail by means of four hooks, which are operated by a latch mechanism. The launcher can also be installed on the wing-mounted, multipurpose pylon by using an LAU-92/A adapter. The launcher components are accessible by means of a door in the adapter.

Figure 3-26.-LAU-92/A guided missile launcher.

LAU-93/A GUIDED MISSILE LAUNCHER

The LAU-93/A guided missile launcher (fig. 3-27) carries and launches the AIM-54 Phoenix missile, and is installed on the weapons rail of the F-14 aircraft. The launcher provides electrical and coolant connections between the weapons rail and the missile. The mechanical components of the launcher consist of a gas-operated, hook-opening linkage and two ejectors, a ground safety lock and positive launch pin, coolant, and electrical umbilicals. The launcher can also be installed on the wing-mounted, multipurpose pylon by using an LAU-93/A adapter.



Managed Security Service Provider
 


Privacy Statement - Copyright Information. - Contact Us

Integrated Publishing, Inc. - A (SDVOSB) Service Disabled Veteran Owned Small Business