Share on Google+Share on FacebookShare on LinkedInShare on TwitterShare on DiggShare on Stumble Upon
Custom Search
 
  

Modes of Operation.- The operational envelope of the NACES is divided into five zones, each of which is associated with a particular timing sequence, known as modes. These timings provide the optimum seat performance under all ejection conditions, both in terms of maximizing the survivable escape envelope and minimizing the risk of occupant injury. Figure 5-30 shows the five zones on the speed versus altitude chart, and table 5-1 gives the corresponding squib-fire timings.

 

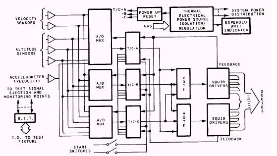
Figure 5-29.-NACES functional block diagram.

Figure 5-30.-Ejection modes.

 

Table 5-1.-Squib-Fire Event Times

All times are References to ejection seat initiation. The start switches operated approximately 0.18 seconds after initiation. N. B: This is a nominal time. The actual time will vary between 0.13 and 0.19 seconds.

In Mode 5 operation, altitude sensing is to recommence at 4.80 seconds, continuing until fall-throughcondition (below 18,000 ft) is detected.

t = time interval between 4.80 seconds and fall-through-condition.

Mode 1 is designed for low-speed/low-altitude ejection conditions. The aim is to deploy the main parachute as soon as practicable after the seat has separated from the aircraft. A drogue deceleration phase is not required so the bridle releases are operated very quickly, thus ensuring that the deploying drogue and bridle assembly moves rapidly clear of the seat in readiness for the immediate main parachute deployment. Modes 2, 3, and 4 cater for high-speedejections at low and medium altitudes. These ejection conditions require a delay before the parachute is deployed, to allow the velocity of the seat to reduce. The stabilizer drogue provides maximum deceleration while maintaining the seat in the optimum attitude for the occupant. The sequence timings of modes 2, 3, and 4 progressively extend the drogue phase with increasing speed and altitude so as to ensure that the parachute extractor is fired only when the seat velocity has reduced to a suitable level. The drogue bridle is jettisoned shortly after the parachute starts to deploy, both to avoid an entanglement and to allow the seat to fall clear of the occupant.

Mode 5 is the high-altitude ejection sequence, in which deployment of the main parachute is delayed until the drogue-stabilized seat falls through the 18,000-feet altitude boundary. This allows the occupant to be brought down to a safer atmospheric condition in the shortest possible time. Once the parachute deployment sequence is initiated, the seat performs in an identical manner to that of modes 2, 3, and 4.



Managed Security Service Provider
 


Privacy Statement - Copyright Information. - Contact Us

Integrated Publishing, Inc. - A (SDVOSB) Service Disabled Veteran Owned Small Business