Share on Google+Share on FacebookShare on LinkedInShare on TwitterShare on DiggShare on Stumble Upon
Custom Search
 
  

EMERGENCY RESTRAINT RELEASE HANDLE.- The emergency restraint release

Figure 5-24.-Leg restraint system.

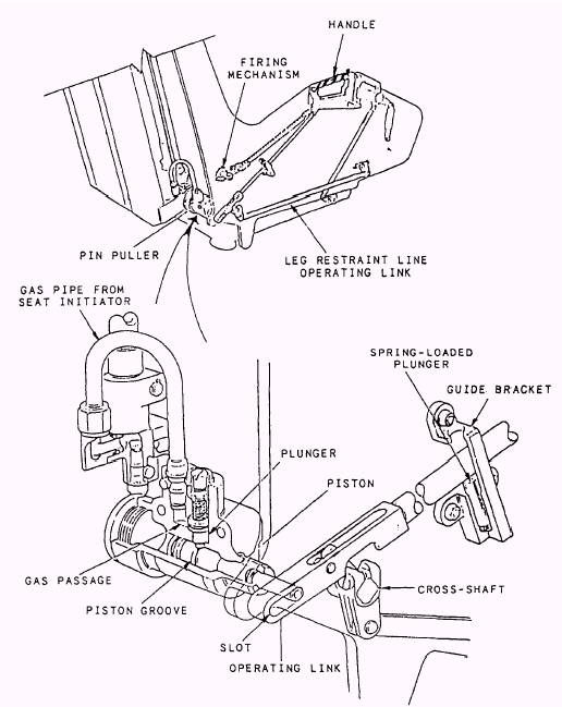
handle (figs. 5-21, 5-25, and 5-26) is connected by two link assemblies to the lower harness lock release mechanism and to a firing mechanism housed in the rear lower RH side of the seat bucket. The handle is locked in the down position by a catch operated by a thumb button situated at the forward end of the handle; depression of the thumb button allows the handle to be rotated rearward. Operation of the handle when the seat is installed in the aircraft is restricted by the pin puller, and releases only the lower torso restraint and leg restraint lines to permit emergency ground egress. On ejection, the pin puller is automatically disengaged from the handle operating link.

Figure 5-25.-Emergency restraint release system.

Operation of the emergency restraint release handle simultaneously operates the SAFE/ ARMED handle to the SAFE position. In the event of automatic sequence failure, operation of the emergency restraint release handle subsequent to ejection will fire a cartridge to operate the upper and lower harness locks and the parachute deployment rocket motor.

SHOULDER HARNESS CONTROL LEVER.- The shoulder harness control lever (fig. 5-21) is attached to the LH side of the seat bucket and is connected to the shoulder harness reel. When the lever is in the forward position, the shoulder harness reel is locked, preventing all forward movement of the seat occupant. When moved to the rear position, the seat occupant is free to move forward and backward. Should the seat occupant move forward rapidly, however, the shoulder harness reel will lock and remain locked until the load on the webbing straps is eased.



Managed Security Service Provider
 


Privacy Statement - Copyright Information. - Contact Us

Integrated Publishing, Inc. - A (SDVOSB) Service Disabled Veteran Owned Small Business