Share on Google+Share on FacebookShare on LinkedInShare on TwitterShare on DiggShare on Stumble Upon
Custom Search
 
  

Seat Bucket Assembly

The seat bucket assembly (fig. 5-19) fits onto the lower portion of the main beams and

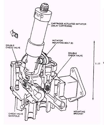
Figure 5-16.-Right-hand ballistic manifold. 5-16

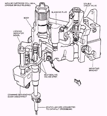
Figure 5-17.-Left-hand ballistic manifold, (F/A-18D).

Figure 5-18.-Thermal battery assembly.

Figure 5-19.-Seat buckets to main beams.

mechanisms and provides a mounting for the survival kit assembly, rocket motor, and backpad assembly. The seat bucket assembly is configured for a particular seat by adding applicationpeculiar components, such as a seat height actuator. The bucket is secured by four nuts to studs incorporated into sliding runners on the seat's main beams. Interference devices on the rear of the seat bucket and on the main beams assembly ensure that only the correct seat bucket is installed in forward and aft cockpits.

The back of the seat bucket contains a rigid, molded pad that forms the back rest. It is contoured so that when the seat occupant is automatically pulled back by the shoulder harness reel when ejection is initiated, he/she assumes the correct posture. A cushion attached to the backrest provides additional comfort for the seat occupant.

Contained within the lower rear corners of the seat bucket are the lower harness locks and release mechanism. These are connected by a cross shaft and connecting links to the leg restraint line locks located in the side plates. The same connecting links connect the negative-g strap lock that is situated in the floor of the seat bucket to the rear of the seat firing handle. Half way up the inner face of the seat bucket sides are sticker clips. The pin puller is mounted at the rear of the seat bucket on the lower right-hand side (fig. 5-2).



Managed Security Service Provider
 


Privacy Statement - Copyright Information. - Contact Us

Integrated Publishing, Inc. - A (SDVOSB) Service Disabled Veteran Owned Small Business