Share on Google+Share on FacebookShare on LinkedInShare on TwitterShare on DiggShare on Stumble Upon
Custom Search
 
  

DROGUE DEPLOYMENT CATAPULT.-

The drogue deployment catapult (fig. 5-12) is mounted outboard of the RH main beam of the ejection seat. Its function is to deploy the stabilization drogue and bridle assembly rapidly without becoming entangled with the seat. The firing of the drogue deployment catapult is controlled by the electronic sequencer to ensure that the seat has cleared the aircraft before the drogue is deployed. The drogue deployment catapult consists of a cylindrical body containing an electrically operated impulse cartridge (CCU-101/A), a two-piece telescopic piston assembly, and an enlarged upper end, into which is fitted a drogue and canister assembly.

The drogue and canister assembly contains a 1.45mm (57-inch) diameter ribbon drogue, pressure packed into a 210mm (8.25-inch) long light alloy cylinder, closed at the upper end. The canister assembly is closed by an end cap attached to the drogue strap. At the lower end of the end cap, a link assembly is attached by the same bolt that secures the drogue strap. When installed on the ejection seat, the link assembly attaches to the drogue bridle, and the canister assembly is retained in the body by a threaded locking ring. At the upper end of the catapult body is riveted a threaded ring on to which the locking ring is screwed when installing the drogue canister.

MULTIPURPOSE INITIATORS.- Two multipurpose initiators (IMP) (fig. 5-13) are attached to the lower outer faces of the seat's main beams. During the ejection sequence, the IMPs supply gas pressure to operate the barostatic release unit delay mechanism, the underseat rocket motor, the pitot deployment mechanisms, and the internally mounted start switch assemblies.

Each IMP comprises a body, machined and drilled to accept a start switch, a static lanyard

Figure 5-12.-Drogue deployment catapult. 5-12

Figure 5-13.-Multipurpose initiator, left-hand.

assembly, a spring-loaded firing pin, and an impulse cartridge. A gas passage through the unit body connects the cartridge breech to the lower end of the start switch plunger. Incorporated into the unit body, but mechanically separate, is a lower drogue bridle release unit.

The static lanyard assembly comprises a lanyard, precoiled into a cylindrical container and with special fittings swaged on to each end. The upper end fitting incorporates a wedge-shaped disconnect device, which engages with the lower end (similarly wedge-shaped) of a spring-loaded firing pin positioned below the cartridge. The lower end fitting protrudes through the lower end of the body and is retained by a shear pin. When the seat is installed on a catapult, the protruding lower end fitting locates in one of the catapultmounted ballistic latches.

The start switch assembly is installed vertically and comprises a series of metal sleeves and insulated sections to form an electrical switch assembly. An internal plunger is partially sleeved with insulating material, has a short gold-plated section, and incorporates a piston head at its lower end. Movement of the plunger before operation is prevented by a shear pin. Two start switch assemblies are incorporated into the multipurpose initiators. During ejection, the start switches supply a start signal to the sequencer at the correct time in the sequence.

The impulse cartridge is percussion operated by the firing pin and is screwed into a breech at the upper end of the body. A gas gallery machined in the upper part of the cartridge ensures even distribution of gas pressure when the cartridge fires.

TIME-DELAY MECHANISM.- The timedelay mechanism consists of a spring-loaded rack assembly in mesh with a gear train controlled by

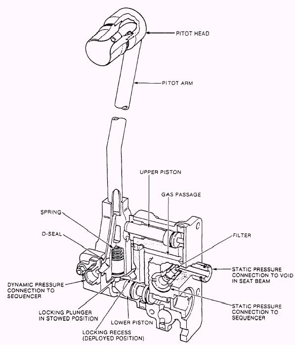
Figure 5-14.-Pitot assembly, right-hand.

an escapement. The gear train consists of a primary spur and pinion, a secondary spur and pinion, an idler wheel, an escapement wheel and an escapement rocker.

The rack assembly consists of a rack end screwed into a slotted end. The two components are secured together with a locking screw. The upper end of the rack end is shaped to form a firing pin.

To retain the rack in the cocked position, one face of a pawl in the bottom housing engages in the slotted end of the rack assembly. Another face of the pawl engages in a groove in a gas-operated

Figure 5-15.-Pitot assembly, operation.

piston installed in a housing attached to the lower part of the unit body. The piston is retained in position by a frangible disc.



Managed Security Service Provider
 


Privacy Statement - Copyright Information. - Contact Us

Integrated Publishing, Inc. - A (SDVOSB) Service Disabled Veteran Owned Small Business