Share on Google+Share on FacebookShare on LinkedInShare on TwitterShare on DiggShare on Stumble Upon
Custom Search
 
  

SE Ground Start Air

When support equipment is the source of air, the ground air start hose is connected to the ground start connection nipple located in the right wheel well. External high-pressure air flows through the engine starting duct check valve into the right cross-bleed manifold. Normal flow is through the right one-way check valve in the crossbreed manifold to the bleed-air flow control and shutoff valve. High-pressure air is available to the right bleed-air shutoff valve and the right wing deice valve. Opening the right bleed-air shutoff valve provides air to the right engine startercontrol valve.

To provide SE air to the left cross-bleed manifold, the engine bleed-air bypass and shutoff valve is opened. When the valve is open, air flows around the cross-bleed check valves to the left bleed-air shutoff valve, the left wing deice valve, the ram air anti-icing valve, and the empennage deicing valve. To provide air to the left engine starter-control valve, open the left bleed-air shutoff valve.

SYSTEM COMPONENTS

Now that you are familiar with the operation of the system as a whole, let's look at its components and their operation. Knowledge of the individual components makes troubleshooting easier and faster. To aid you in locating parts of the components, numbers within parenthesis ( ) are included that correlate to the numbers on the illustrations.

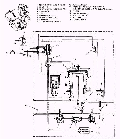
High-stage Bleed-Air Regulator Valve

The high-stage, bleed-air regulator valve is a normally closed, differential-pressure regulator.

(See figure 4-2.) Air from the inlet (13) passes through the filter (14), and then through the reverse-flow check valve (15). The air then enters the reference regulator (16), where it is pressure regulated (as a function of altitude) by an evacuated bellows (1). The air is then passed through a control orifice (6), a shuttle valve (8), and to the actuator section (10) of the high-stage, bleed-air regulator valve to open the butterfly (12). The pressure of the air entering the regulator sensing line (11) with the spring pressure of the actuator section of the valve modulates the valve toward the closed position, as regulated by pressure from the shuttle valve. As aircraft altitude increases, the evacuated bellows expand and cause the reference regulator to close. The ambient vent (5) decreases the pressure to the open side of the actuator section, and thereby allows the spring to close the actuator section. This action also closes the butterfly.

When the cross-bleed start solenoid (3) is energized, the reference regulator larger diaphragm (2) is vented to ambient (4). Spring pressure on the reference regulator larger

Figure 4-2.-High stage, bleed-air regulator valve schematic. 4-4

diaphragm causes the reference regulator to open. This results in pressure being passed through the control orifice, which is regulated by the cross-bleed start relief regulator (7). The pressure commands the actuator section to open with a corresponding opening of the butterfly.

During deicing operations, control pressure from the temperature control regulator valve is applied to the temperature control connection (9). This changes the shuttle valve position to allow the temperature control regulator valve pressure to open the actuator section and the butterfly. During deicing operations, pressure from the temperature control regulator valve overrides all other inputs to the shuttle valve.

Bleed-Air Shutoff Valve

The bleed-air shutoff valve is a normally closed, pneumatically operated, electrically controlled shutoff valve with provisions for automatic closure in the event of overtemperature, overpressure, or loss of electrical power (fig. 4-3.)

Figure 4-3.-Bleed-air shutoff valve schematic. 4-5

Inlet air pressure flows through the filters. to the shuttle valve (14), which selects the higher air pressure on each side of the butterfly (15) and routes the selected pressure to the solenoid (2) and chamber B (8). With the solenoid de-energized (as shown in figure 4-3), the opening side of the actuator (4), or chamber A (6), is vented (5) to ambient pressure through the solenoid. The resulting pressure differential between chambers A and B produces a force to keep the butterfly closed. A butterfly position indicator switch (3) controls a light (1) that indicates the butterfly is in a closed position. With the solenoid energized (opposite to the position shown in figure 4-3), air pressure is ported to chamber A, which opens the butterfly and keeps it open.

In the event of an overpressure that causes the inlet pressure downstream (16) of the butterfly to attain the preset value of the pressure switch (7), the switch actuates and de-energizes the solenoid electrical circuit to close the valve. When the inlet pressure returns to the switch reset value, the electrical circuit closes to re-establish solenoid control.

In the event of an overtemperature that causes the inlet temperature to attain the preset value of the temperature switch (9), the switch de-energizes the solenoid and closes the valve. When the temperature returns to the switch reset value, the solenoid re-establishes control.

Check Valves

Five check valves are used in the bleed-air system: two in the cross-bleed duct, two in the auxiliary power unit (APU) bleed-air duct, and one in the ground starting duct. These are 3-inch diameter, insert-type, spring-loaded closed splitflapper valves, which are designed to be inserted into, and contained by, the aircraft duct.

Low-Stage Bleed-Air Check Valve

The low-stage bleed-air check valve is installed in the engine pylon bleed-air duct on the right side of the engine. The low-stage bleed-air check valve allows bleed air from the 10th-stage engine compressor to enter the bleed-air subsystem to protect the engine when high-stage bleed air is scheduled.

The low-stage bleed-air check valve consists of a main housing and two semicircular flappers hinged on a post positioned radially through the center of the housing. The low-stage bleed-air check valve permits flow in the direction indicated by the arrow, and restricts flow in the opposite direction. The flappers are spring-loaded in the closed position.



Managed Security Service Provider
 


Privacy Statement - Copyright Information. - Contact Us

Integrated Publishing, Inc. - A (SDVOSB) Service Disabled Veteran Owned Small Business