Share on Google+Share on FacebookShare on LinkedInShare on TwitterShare on DiggShare on Stumble Upon
Custom Search
 
  

BACKUP MANUAL CONTROL MODE

The backup manual control mode is used to open and close the canopy when utility battery power is low, internal or external electrical power is not available, or a failure has occurred in the canopy actuation control system.

The canopy actuator manual drive unit is operated from inside the cockpit by using the internal manual canopy opening handle. The handle is removed from its stowage receptacle and clip, and then it is inserted into the crank socket. The handle is turned 701 turns clockwise to close the canopy or counterclockwise to open the canopy. The internal manual canopy opening handle shaft assembly mechanically links the drive unit to the canopy actuator. By operating the drive unit internally or externally, mechanical motion is transferred through the shaft assembly to the canopy actuator.

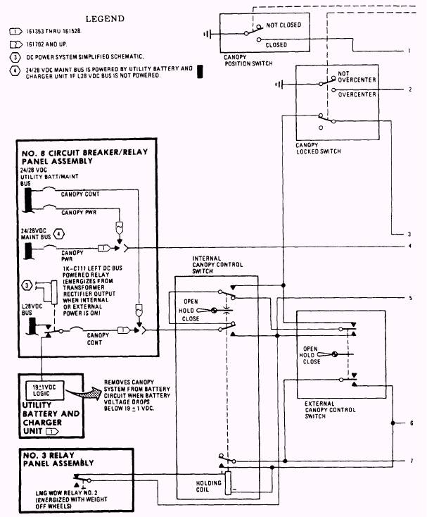
Figure 2-9.-Canopy electrical system schematic.

Figure 2-9.-Canopy electrical system schematic-Continued.

As previously stated, the canopy external manual drive receptacle is provided to operate the canopy actuator manual drive unit from outside the cockpit. A 3/8-inch drive tool is inserted into the drive receptacle and turned 351 turns counterclockwise to open the canopy or clockwise to close the canopy.

Manually operating the canopy overrides the mechanical brake in the canopy actuator. The brake engages to hold the canopy at any position when manual cranking is stopped. The actuator is equipped with a mechanical torque limiter that prevents damage to the actuator if excessive torque is applied to the manual backup control mode.



Managed Security Service Provider
 


Privacy Statement - Copyright Information. - Contact Us

Integrated Publishing, Inc. - A (SDVOSB) Service Disabled Veteran Owned Small Business