Share on Google+Share on FacebookShare on LinkedInShare on TwitterShare on DiggShare on Stumble Upon
Custom Search
 
  

Seat Height Adjustment Actuator Check-out

Removal of the wedge and survival kit assemblies is. not required to complete the five steps of the seat' height adjustment actuator

Figure 6-49.- Seat height adjustment actuator check-out.

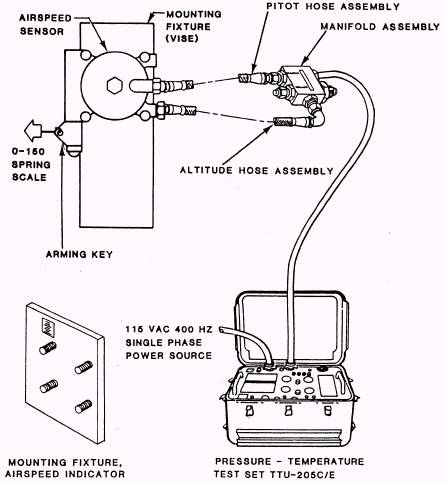
Figure 6-50.- Airspeed/ altitude sensor functional check setup.

check-out. Portions of this test are shown in figure 6-49.

1. Attach a control tester to the plocket on the left side of the seat. You should ensure that the tester power switch is OFF and the raise-lower switch is in the mid position. Connect the tester electrical plug to a 115-volt ac, 60 Hz, single-phase power source and position the power switch to ON.

CAUTION To prevent damage to the height adjust-ment actuator motor because of overheating, the operating time limit of 30 seconds on and 1 minute off must be observed.

2. Position the raise-lower switch to RAISE and hold it in that position. You should observe the current indicated on the control tester ammeter while the seat travels to the full UP position. The maximum start current should be 15 amps and the maximum run current should be 5 amps.

3. Release the raise-lower switch and place a pencil mark on the actuator shaft at the locking collar. Now, move the raise-lower switch to LOWER and hold it in that position. Again, you should observe the current indicated on the control tester ammeter while the seat travels to the full DOWN position. You should notice no binding while the seat is traveling. The start and run current requirements are the same as in the previous step.

4. Release the raise-lower switch. At this time, you should measure and record the distance from the pencil mark on the actuator shaft to the upper edge of the locking collar. For the test results to be acceptable, the difference between the measurements should be 4.93 to 5.06 inches of total actuator shaft travel.

5. Raise the seat bucket to the mid-travel position. Position the power switch to OFF. Disconnect the tester electrical plug from the power source and disconnect the tester electrical plocket from the seat.



Managed Security Service Provider
 


Privacy Statement - Copyright Information. - Contact Us

Integrated Publishing, Inc. - A (SDVOSB) Service Disabled Veteran Owned Small Business