Share on Google+Share on FacebookShare on LinkedInShare on TwitterShare on DiggShare on Stumble Upon
Custom Search
 
  

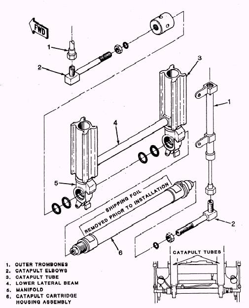
CATAPULT TUBE ASSEMBLIES.- The catapult tube assemblies house the catapult lock and unlock mechanism, provide physical support for the seat bucket via the seat height adjustment actuator and slipper assemblies, and support the trombone assemblies. They also support a headrest and personnel parachute container assembly, drogue parachute and container assemblies, and associated interconnecting hardware. The catapult tube assemblies also provide several other functions. First, they provide the energy and movement for the canopy piercers and breakers to penetrate the aircraft canopy. They also route and apply ballistic gas pressure to eject the drogue container and parachute. They route and apply ballistic gas pressure to initiate the seat-back rocket motors. Finally, they route and apply ballistic gas pressure to initiate the

Figure 6-41.- Catapult cartridge and tube assemblies.

gas-operated components of the post-ejection sequencing subsystem (fig. 6-41).

CATAPULT LOCK AND UNLOCK MECH-ANISM.- The catapult lock consists of a lock-ing piston and six locking balls set between the inner and outer catapult tubes. The catapult lock retains the seat in the cockpit during inverted flight. Upon seat ejection, the lock is released by gas pressure from the catapult cartridge. Catapult cartridge gases move the locking piston upward and permit the locking balls to disengage from the groove in the outer catapult tube. This action removes all connection between the inner and outer catapult tubes.



Managed Security Service Provider
 


Privacy Statement - Copyright Information. - Contact Us

Integrated Publishing, Inc. - A (SDVOSB) Service Disabled Veteran Owned Small Business