Share on Google+Share on FacebookShare on LinkedInShare on TwitterShare on DiggShare on Stumble Upon
Custom Search
 
  

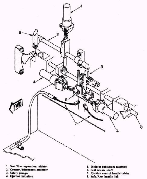
Safe/ Arm Control Assembly and Link Subsystem

The safe/ arm control assembly and link sub-system (fig. 6-38) places the seat in either a safe or an armed condition. The subsystem safeties three mechanically actuated M99 initiators when the seat is not occupied or when it needs to be kept in the safe condition. For the safe position, you should pull the knob on the handle to disengage the lock. Then move the handle to the full UP position. The seat is safetied by mechanically positioning a link and plunger, which prevents rotation of the initiation subsystem rotors. It also safeties the linkage that actuates the seat/ man separation initiator. For the armed position, you should pull the knob on the handle and move the handle to the full DOWN position.

Ejection Initiation Subsystem

The ejection initiation subsystem (fig. 6-39) consists of an ejection control handle, mechanical

Figure 6-39.- Ejection initiation system.

linkage, and two ejection initiators. Actuation of the ejection control handle, located on the front panel of the seat bucket, mechanically pulls the firing cable, rotating the initiation subsystem rotors, which, in turn, extract a firing pin from each of the two M99 ejection initiators. The out-put gas pressure from either or both of the initiators is transmitted to two igniters, one on each side of the catapult cartridge, the inertia reel gas-generating initiator, the multiple time-delay initiator, and the thruster. The two catapult cartridge igniters provide catapult ignition redundancy.



Managed Security Service Provider
 


Privacy Statement - Copyright Information. - Contact Us

Integrated Publishing, Inc. - A (SDVOSB) Service Disabled Veteran Owned Small Business