Share on Google+Share on FacebookShare on LinkedInShare on TwitterShare on DiggShare on Stumble Upon
Custom Search
 
  

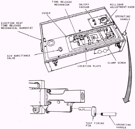
Barostat Check-Out 

To complete the barostat check-out, you should perform the following steps in sequence.

1. Connect the TRM test box to a 110-volt ac 60-Hz power supply. Ensure all protective plugs and parts of the test set are installed in the test box holes labeled "cocking control and altitude."

2. Position the TRM in the test set and secure it with a clamp screw, as shown in figure 6-28.

3. Insert the operating handle through the hole in the test set labeled "firing control." Screw the handle into the test firing pin.

4. Set the test box altimeter to 1013 millibars. With this setting, the altimeter will show a reading, in feet, above sea level and the altitude test will be relative to sea level.

5. Ensure the test set cover and seal are clean before closing the cover. A light application of pressure might be required to seal the cover.

6. Turn the vacuum release valve clockwise to the CLOSED position. .

NOTE: Before you continue with the test, QA personnel should be present to witness the results.

7. Set the test set switch to the ON position. Make sure the vacuum pump starts and the red indicator light is illuminated.

8. While you monitor the test set altimeter, set the on/ off switch to OFF when the altimeter reaches 30,000 feet.

9. Pull the operating handle to remove the test set firing pin from the TRM. The TRM should not operate at this time.

10. Monitor the test set altimeter while you slowly open the vacuum release valve. Open it until the altimeter indicates a steady descent rate, but not exceeding 200 feet per second.

11. Record the reading on the altimeter at which the TRM actuates. The actuation must occur at 13,000 1,500 feet. If the TRM fails the test, it must be replaced.

12. After actuation, open the test set vacuum release valve. When the altimeter indicates zero, carefully open the test set cover.

13. Remove the clamp and disconnect the test firing pin from the TRM. Then remove the TRM from the test set.

Figure 6-28.- Time-release mechanism barostat check-out.

14. Secure the test set and recock the TRM. the MRCs and MIMs. The steps requiring QA Lockwire the firing link to the TRM and install action are also very important. the hex head plug and washer in the base of the TRM. All ejection seat parts and components received from supply must be checked or tested

NOTE: QA should inspect the sear installa-before being put into service. It is also tionand lockwire. recommended that ejection seats reinstalled on their mated ejection catapult guns.

Other Tests

Cannibalization of ejection system com-ponents must beheld to an absolute minimum.

Other tests are required for this ejection seat. The swapping of components increases the These tests are performed in strict compliance with possibility of maintenance error. Minimizing cannibalization should also decrease the possibility of logbook record error.



Managed Security Service Provider
 


Privacy Statement - Copyright Information. - Contact Us

Integrated Publishing, Inc. - A (SDVOSB) Service Disabled Veteran Owned Small Business