Share on Google+Share on FacebookShare on LinkedInShare on TwitterShare on DiggShare on Stumble Upon
Custom Search
 
  

COMPONENT TEST AND TEST EQUIPMENT 

Ejection seats and associated components are carefully designated, manufactured, and tested to ensure dependable operation. Such equipment must function perfectly the first time it is used. Malfunction or failure to operate usually results in severe injury or death to crew members. You must use the utmost care in maintaining escape system equipment. Proper handling and strict compliance with the maintenance procedures presented in the maintenance instructions manuals (MIMs) and the maintenance requirements cards (MRCs) are mandatory and cannot be overemphasized.

NOTE: The information presented in this chapter must not be used in place of information provided in the MIM. The SJU-5/ A ejection seat undergoes a variety of functional checks during the 364-day special inspection. In-depth testing of the firing unit mechanisms, catapult gun, time-release mechanism, drogue gun, and a complete mechanical operational check is required. The time-release mechanism and drogue gun checks are discussed in the following paragraphs.

Drogue Gun Check-out

The drogue gun must be removed from the ejection seat to accomplish the check-out. You should make sure the drogue gun is disarmed before performing any maintenance on it. Then, you should remove the drogue gun barrel and piston and inspect them for damage and corrosion. The three tests used in the check-out are the time-delay test, the firing pin protrusion test, and the firing pin cocking test. These tests must be done with the barrel and piston removed. These tests are discussed in the following paragraphs.

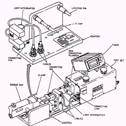
TIME-DELAY TEST.- To complete the time-delay test, you should perform the following steps in sequence. 1. Install the drogue gun adapter on the time-delay test base. Connect the adapter electrical cables to the time-delay test set timer. Then connect the test set to a 110-volt ac 60-Hz power supply. An air source regulated to 80 psi is also required. Figure 6-25 reflects the correct mounting of the drogue gun to the test set. 2. Extend the ram connecting plunger by pressing the reset button on the test set. The reset

Figure 6-25.- Drogue gun time-delay check-out

button also sets the timer to zero. Remove the lockwire from the drogue gun firing link and remove the hex head plug from the base of the drogue gun. Ensure the drogue gun is secured to the test set with the clamp. Next, attach the drogue gun firing link to the test set connecting ram plunger with the connecting link and connecting pins. Install the light interrupter into the base of the drogue gun.

NOTE: Before proceeding any further with the test, ensure quality assurance (QA) personnel are present to witness the results. 3. Press the time-delay test set actuate button and record the time required to pull the firing link from the drogue gun. The elapsed time should not exceed 0.5 0.1 second. If the testis unsuccessful, the drogue gun must be replaced. 4. Remove the light interrupter and drogue gun from the test set and secure the equipment.



Managed Security Service Provider
 


Privacy Statement - Copyright Information. - Contact Us

Integrated Publishing, Inc. - A (SDVOSB) Service Disabled Veteran Owned Small Business