Share on Google+Share on FacebookShare on LinkedInShare on TwitterShare on DiggShare on Stumble Upon
Custom Search
 
  

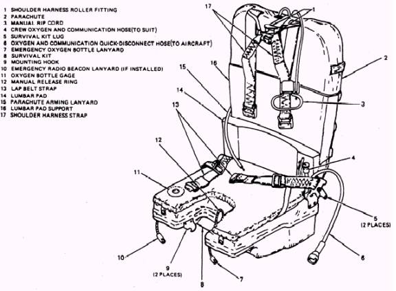
EMERGENCY SURVIVAL EQUIPMENT

The emergency survival equipment (fig. 6-18) accompanies the crewman during ejection or ditching. It can sustain life, aid rescue during emergency conditions, and provide support and comfort to the crewmen during normal operation. The survival equipment consists of all equipment used after seat/ man separation from the ejection seat.

Parachute NES-12E The parachute is designed for use in rocket catapult ejection seats. The parachute is a backpack-type assembly that normally opens automatically, but it can be deployed manually by pulling the conventional rip cord D-ring. The parachute is connected to the RSSK-8A-1 survival kit by two nylon harness straps running from the bottom of the parachute to the back portion of the survival kit.

Survival Kit RSSK-8A-1 The survival kit is connected to the ejection seat by lugs on the back of the survival kit, which engage detents in the survival kit lug retaining pins. The retaining pins are integral parts of the harness-release bell crank assembly. The survival kit is a two-piece fiber glass container with top and bottom sections. A foam pad cushion is positioned on top of the kit to provide comfort for the crew member. A manual kit-release handle on the right side of the kit provides for separation of the two survival kit halves and release of the survival gear. The top half contains the emergency oxygen bottle, which is automatically actuated by a cable attached to the aircraft structure as the ejection seat moves up the guide rails during the ejection sequence. The oxygen bottle is normally used for high-altitude ejections, but it can be manually actuated, if the normal oxygen supply fails, by pulling the emergency oxygen lanyard located on the inboard side of the front thigh support of the survival kit. The bottom half of the kit contains a life raft, a radio transmitter (if installed), and a survival kit bag. The life raft is folded and stowed in the front section of the kit. A self-contained pneumatic bottle automatically inflates the raft upon separation from the kit. A battery-operated radio transmitter is automatically switched on during the ejection sequence by an aircraft-attached lanyard. The survival kit bag is a zippered bag stowed next to the life raft. The bag contains dye markers, seawater desalter, sponge, two escape and evasion kits, rations, sunburn ointment, signal distress flares, signal mirror,

Figure 6-18.- Survival kit and parachute removed.

emergency code card, water storage bag, a 50-foot nylon cord, and shark repellent.

Operation

As the seat moves up the guide rails during seat ejection, the aircraft-attached emergency oxygen lanyard is pulled automatically to actuate a supply of emergency oxygen. In the event of high-altitude ejection, the emergency oxygen provides protection against blackout while the crew member is descending to a safe altitude. By pulling the manual kit-release handle on the right side of the kit, the crew member may deploy the kit during parachute descent. Upon deployment of the kit, the top and bottom halves separate; both halves are still connected to the crew member by a retaining lanyard. The survival kit gear remains with the bottom half of the container (stowed in a zippered bag), while the life raft separates from the container. A self-contained pneumatic bottle automatically inflates the life raft, which remains attached to the crew member by means of the retaining lanyard. Parachute deployment occurs following the crew member/ seat separation phase of normal seat ejection. If the crew member is above a preset pressure altitude of 14,000 ( 500) feet, an aneroid in the parachute barometric actuator delays parachute deployment until the crew member has descended to the correct pressure altitude. The parachute actuator delay cartridge then fires, causing parachute deployment. The parachute also can be deployed manually by pulling a conventional D-ring rip cord.



Managed Security Service Provider
 


Privacy Statement - Copyright Information. - Contact Us

Integrated Publishing, Inc. - A (SDVOSB) Service Disabled Veteran Owned Small Business