Share on Google+Share on FacebookShare on LinkedInShare on TwitterShare on DiggShare on Stumble Upon
Custom Search
 
  

PURGING 

Purging and other maintenance of LOX trailers is performed by the AS rating. Purging is the cleansing of impurities from oxygen systems and containers. There are two ways to purge oxygen containers, LOX wash and gas purging.

The LOX wash method is used on large containers, such as storage tanks and LOX trailers, to lower the contamination to acceptable levels by replacing the contaminated LOX with LOX known to be uncontaminated. To do this, drain the container using the buildup coil. Do NOT open the vent during this operation. Partially fill the container with un-contaminated LOX and allow the container to stabilize. Build up pressure to 30 to 40 psi and then vent the pressure to 0 psi. Repeat this opera-tion for a total of three cycles. Take a sample and forward it to a designated site for analysis. If the sample is acceptable, the container may be put into service. If the sample is not acceptable, the container must be gas purged using hot water pumped nitrogen. If allowed to run dry or if odor is detected in the system, aircraft LOX converters must be gas purged before being put into service. Gas purg-ing of aircraft LOX systems must be done if any maintenance is performed on the system that opens it to the atmosphere. To gas purge a LOX converter, first drain the converter of LOX. If possible, allow the converter to warm to ambient temperature. This saves vast amounts of nitrogen. Attach a purging device to

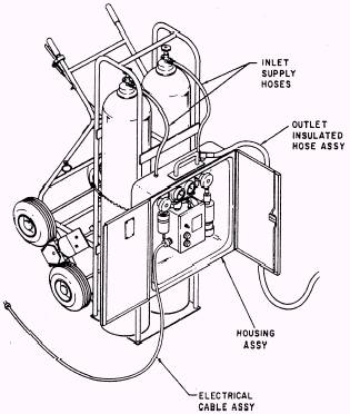
Figure 5-11.- Purging unit ready for use.

the converter and pass hot nitrogen 250 F (122 C) through the converter at 50 psi for at least 2 hours. The gas exiting the converter should exceed 100 F (38 C), or be in accordance with purging equip-ment instructions. Next, service the converter and install it in the aircraft. Use an oxygen mask to smell for odors. If odors persist, drain and purge the converter again. Aircraft systems are purged in the same manner as a LOX converter. If an adapter is not supplied with the purging unit, use a supply fitting from a LOX converter. Different types of purging equipment is used to purge oxygen containers and systems. Only one type unit, the Aircraft Liquid Oxygen System Gas Purging Set, manufactured by Avel Corporation, will be discussed here.



Managed Security Service Provider
 


Privacy Statement - Copyright Information. - Contact Us

Integrated Publishing, Inc. - A (SDVOSB) Service Disabled Veteran Owned Small Business