Share on Google+Share on FacebookShare on LinkedInShare on TwitterShare on DiggShare on Stumble Upon
Custom Search
 
  

USING THE VACUUM SYSTEM

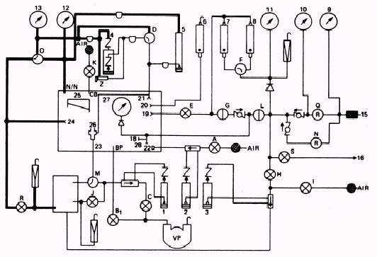
Prior to using the vacuum system, ensure the vacuum pump vent is open one to two full turns. Now turn the vacuum pump to the ON position and close the altitude chamber door. Be sure the reference pressure selector valve (0) is in the chamber position and open the vacuum control valve (B1). Ascend to 10,000 feet. Watch the altitude indication on the low-range altimeter (13). When you reach the 10,000-foot altitude, stabilize the altitude by closing the vacuum control valve ( Bl). You should not see any drop in your altitude. Open the chamber bleed valve (K) and descend to sea level. When you reach sea level, close the bleed valve (K) and turn the flow selector valve (M) to the REGULATOR position. Use the output valve (C) to draw a flow of 6.0 in. H2O. This flow is drawn from the chamber through the output port (23) and is indicated on the output manometer (l). Ascend to 10,000 feet. Close the output valve (C) and watch the lowrange altimeter (13). No drop in altitude should be indicated. Open the chamber bleed valve (K) and descend to sea level. Close valve (K) when you reach sea level.

By having all valves and connections in their present position, you are set up for the altitude sensing system test.

Figure 2-8.\Model 1172AS100 vacuum system.

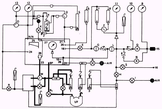
Figure 2-9.\Model 1172AS100 altitude sensing system.

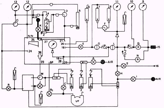
Figure 2-10.\Model 1172AS100 chamber bleed system.



Managed Security Service Provider
 


Privacy Statement - Copyright Information. - Contact Us

Integrated Publishing, Inc. - A (SDVOSB) Service Disabled Veteran Owned Small Business