Share on Google+Share on FacebookShare on LinkedInShare on TwitterShare on DiggShare on Stumble Upon
Custom Search
 
  

ELECTRONIC CONTROL SYSTEMS

All electronic flight control servo cylinders are controlled by electrical impulses from computers. The computers compare all data received from the pilots control stick, airspeed indicator, altimeter, angle of attack, and other sensors. They configure all flight controls for best flight characteristics and performance of the aircraft. An example of the electrical portion that replaces the mechanical


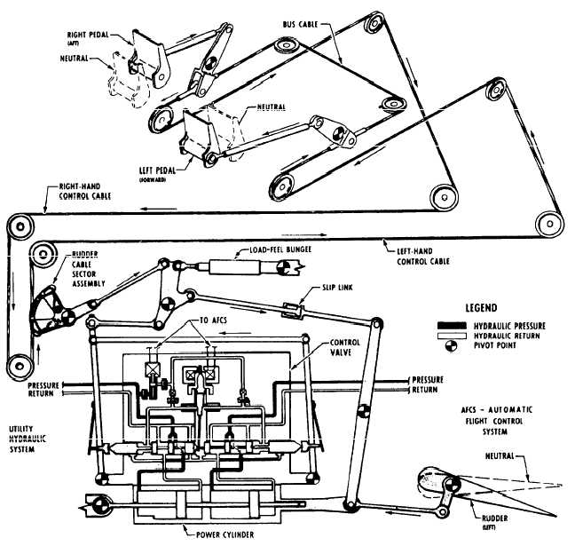
Figure 9-15.Rudder control system.



linkages system is shown in figure 9-16. Each electric component is duplicated two to four times throughout the system. Provisions are made to detect a failed component or sensor and remove its influence from the system. These multiple redundant paths ensure that a single failure has no effect, and multiple failures have minimum effect on controls.



Managed Security Service Provider
 


Privacy Statement - Copyright Information. - Contact Us

Integrated Publishing, Inc. - A (SDVOSB) Service Disabled Veteran Owned Small Business