Share on Google+Share on FacebookShare on LinkedInShare on TwitterShare on DiggShare on Stumble Upon
Custom Search
 
  

Radiator Types 

Radiator-type fluid coders are also called heat exchangers and fluid coolers, as well as radiators. Their principles of operation are the same; however, the manner in which they obtain their objective may differ.

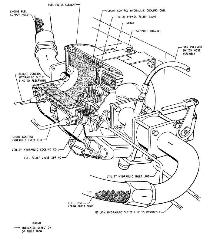
On some aircraft, the radiator is a welded aluminum assembly with two semicylindrical and baffled hydraulic fluid chambers with multiple pencil diameter size tubes, which direct and contain fuel flow through the individual hydraulic chambers. The radiator is so constructed to prevent mixing of engine fuel with hydraulic fluid and one hydraulic system fluid with the other. As fuel flows through the radiator tubes, heat energy is transferred from the hydraulic fluid to the engine fuel prior to hydraulic fluid entry into the hydraulic reservoir. Figure 7-28 shows the cooling radiator used to cool two hydraulic systems; moreover, it has a fuel filter incorporated that filters the fuel supplied to the



Figure 7-28.Hydraulic fluid cooler.

engine. The radiator unit consists of a cylindrical case containing two cooling coils of 1/4-inch aluminum alloy tubing and a replaceable fuel filter element. The utility system cooling coil is installed in the right-hand end of the case; the flight control system cooling coil and the filter element are installed in the left-hand end, as shown in figure 7-28. The case ends contain fittings for connecting fuel hoses. Two threaded bosses, which are welded to the cooling coil ends, serve to connect the hydraulic lines for each system. During normal operation, hydraulic fluid returning to each reservoir is directed through its applicable system cooling coil, where sufficient heat is transferred to the engine fuel to maintain the hydraulic fluid at less than 200F. 

Should the cooling coils become clogged, each system is equipped with a bypass relief valve, which opens and bypasses fluid around the coil and directly to the reservoir.



Managed Security Service Provider
 


Privacy Statement - Copyright Information. - Contact Us

Integrated Publishing, Inc. - A (SDVOSB) Service Disabled Veteran Owned Small Business