Share on Google+Share on FacebookShare on LinkedInShare on TwitterShare on DiggShare on Stumble Upon
Custom Search
 
  

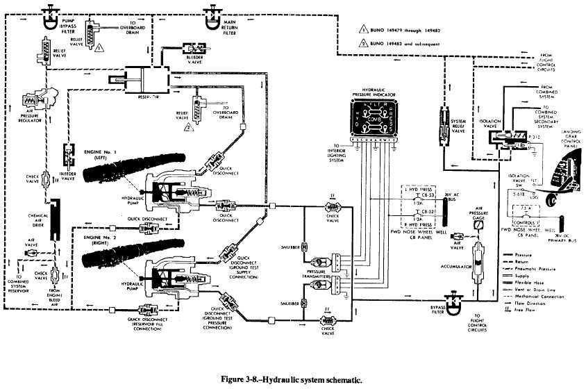
DIAGRAMS

One of the more important factors in trouble-shooting a system logically is your understanding of the components and how they operate. You should study the information and associated schematics provided in the MIM. The function of each component and possible malfunctions can be used in the process of analyzing actual malfunction symptoms.

A primary concern in troubleshooting an aircraft hydraulic system is to determine whether the mal-function is caused by hydraulic, electrical, or mechan-ical failure. Actuating systems are dependent on the power systems. Some of the troubles exhibited by an actuating system may be caused by difficulties in the power system. A symptom indicated by a component of the power system may be caused by leakage or malfunction of one of the actuating systems. When any part of the hydraulic system becomes inoperative, use the diagrams in conjunction with the checkout procedures provided in the aircraft MIM. Possible causes of trouble should always be eliminated systematically until the pertinent cause is found. No component should be removed or adjusted unless there is a sound reason to believe the unit is faulty.









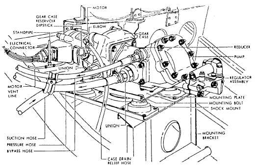
Figure 3-9.Installation diagram of a motor-driven hydraulic pump.

There are two classes of diagrams you will be concerned with in gaining a complete knowledge of a specific system. These are the schematic and installation diagrams. A diagram, whether it is a schematic diagram or an installation diagram, maybe defined as a graphic representation of an assembly or system.



Managed Security Service Provider
 


Privacy Statement - Copyright Information. - Contact Us

Integrated Publishing, Inc. - A (SDVOSB) Service Disabled Veteran Owned Small Business