Share on Google+Share on FacebookShare on LinkedInShare on TwitterShare on DiggShare on Stumble Upon
Custom Search
 
  

Bending on a Brake

The easiest and most accurate method of making straight-line bends in a piece of sheet metal is to use a box and pan brake or a cornice brake. The use of these brakes is relatively simple. However, if they are not used correctly, the time and the work involved in computing the bend allowance and laying out the job, as well as the metal, are wasted. Before you bend any work that must have an accurate bend radius and definite leg length, the brake settings should be checked with a piece of scrap metal. To make an ordinary bend on a brake, you should place the sheet to be bent on the bed so that the bend line is directly under the upper jaw or clamping bar. Then, pull down the clamping bar handle. This brings the clamping bar down to hold the sheet firmly in place. Next, set the stop for the proper angle or amount of bend. Finally, make the bend by raising the bending leaf until it strikes the stop. If more than one bend is to be made, bring the next bend line under the clamping bar and repeat the procedure. See figures 13-22 and 13-25.

 

Figure 13-35.-Forming concave hand bend.

 

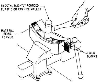
Figure 13-36.-Forming convex hand bends.



Managed Security Service Provider
 


Privacy Statement - Copyright Information. - Contact Us

Integrated Publishing, Inc. - A (SDVOSB) Service Disabled Veteran Owned Small Business