Share on Google+Share on FacebookShare on LinkedInShare on TwitterShare on DiggShare on Stumble Upon
Custom Search
 
  

CHAPTER 7

SEAT SURVIVAL KIT

Learning Objective: Upon completion of this chapter, you will be able to identify, inspect, and maintain the RSSK-8 seat survival kit.

The ejection seat survival kit is designed for use in ejection seat equipped aircraft only. Ejection seat survival kits are designated Rigid Seat Survival Kit (RSSKs) -1, -1A, -3, -6B2, -7, -8, and -9; Survival Kit Unit (SKUs) -2A, -3A, and 4A; and Semirigid Restraint and Life Support Assembly (IULSA) -1. The RSSK-8 is discussed in this chapter.

RSSK-8 SERIES SEAT SURVIVAL KIT

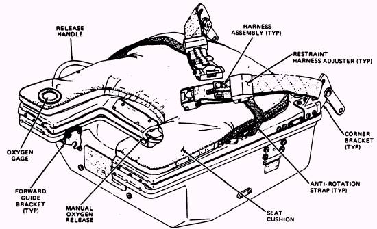
The Rigid Seat Survival Kit-8 Series (RSSK-8 series) is designed for use with Douglas ESCAPAC ejection seats and functions as a seat cushion for the aircrewman as well as a container for an emergency oxygen system, life raft and survival equipment (shown in figures 7-1 and 7-2). There are three manufacturers of these kits- Rocket Jet Engineering Corp., Scott Aviation Corp., and East-West Industries. The illustrations in this chapter show the latest configuration of the RSSK-8 manufactured by Scott Aviation Corporation.

The RSSK-8 has a bonded fiber glass body and an extruded metal lip interconnecting the upper and lower containers. The upper container houses

Figure 7-1.-RSSK-8 closed.

Figure 7-2.-RSSK-8 open.

the emergency oxygen supply; the lower container, the life raft and survival equipment. The kit is opened by the yellow handle mounted on the forward right side. Two adjustable retaining straps, permanently mounted on the upper container, provide attachment of the kit to the aircrewman's torso harness. A flexible oxygen and communications hose installed on the aft left side of the upper container connects the aircrewman to the aircraft for communications and oxygen functions. In the event of a failure of the aircraft oxygen system, emergency oxygen is available by pulling the manual oxygen release on the kit. Oxygen from the kit then flows to the aircrewman through the emergency oxygen system reducer in the kit. A check valve in the oxygen line prevents emergency oxygen from flowing into the aircraft system or overboard from the kit. When the aircrewman ejects, the reducer is automatically operated by a lanyard connected between the actuator and aircraft.

When he sits in the aircraft, the aircrewman connects the kit quick-release fittings to his retaining straps on his torso harness. He also connects his oxygen mask and communication hose to the seat pan quick-disconnect fitting. This hose can be quickly disconnected by pulling sharply on the hose assembly.

The RSSK-8 is a part of the survival equipment used by aircrewman aboard the types of aircraft listed in table 7-1. As you can see,

Table 7-1.-RSSK-8 Application

Figure 7-3.-Emergency oxygen schematic.

these are high-performance aircraft that can operate at high altitudes. Therefore, in addition to containing survival gear, the kit also furnishes oxygen to the aviator when he ejects at altitudes where there is not enough oxygen to maintain consciousness.

When the aircrewman ejects from the aircraft, the following events occur:

The automatic actuation lanyard for the emergency oxygen system actuates the reducer assembly at seat ejection. The aircrewman is then supplied emergency oxygen for descent (fig. 7-3). If automatic actuation of the emergency oxygen system fails, the emergency oxygen system may be actuated by the aircrewman by means of the manual oxygen release (green ring). The radio beacon is automatically actuated by another actuation lanyard. The beacon provides a continuous signal during descent.

When a safe altitude is reached, the aircrewman pulls the kit release handle free of the kit. This unlocks the containers and the lower half falls away but remains attached by the dropline assembly. The life raft, attached to the dropline, is automatically inflated.



Managed Security Service Provider
   


Privacy Statement - Copyright Information. - Contact Us

Integrated Publishing, Inc. - A (SDVOSB) Service Disabled Veteran Owned Small Business